
,估计是为了满足客户的电流输出能力而设定的,下面慢慢来分析一下这个保护板电路:
仔细看发现两个保护IC的型号虽然相同,但是后缀不同,查阅规格书发现参数有区别,肯定是有意为之,靠近电芯的IC过充电压低一些,过放电压高一些。两款保护IC参数如下:

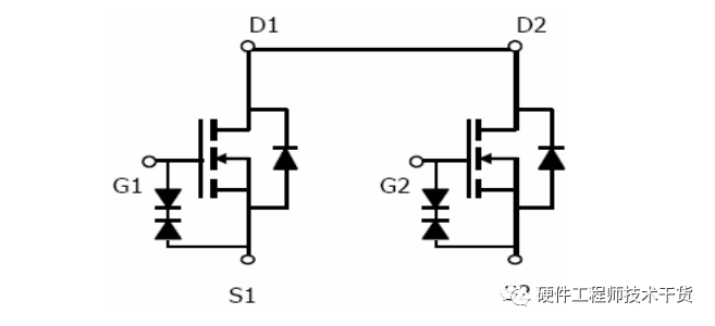
这个保护板电路使用两个MS3312 MOS管并联,没找到对应型号的规格书,但是找到了一个PED3312M,参数应该米乐 m6中国官方网站相近,用于电路分析,MOS管内部电路如下,米乐平台 m6官方平台这是一个双MOS管,内部漏极相连。

每一个保护IC控制一组四个MOS管,这四个MOS管进行串并联组合,Vgs不变的情况下,我们可以根据Rdson几乎不随漏极电流变化而变化可以得出,这四个MOS串并联组合后整体相当于只有一个Vds管压降。


保护IC通过Pin5测量电芯电压,当电压大到一定程度关闭MOS管,切断充电,注意两个保护IC的VSS管脚连接的不是同一个地方,也就是米乐 m6中国官方网站参考GND不一样。左侧的保护IC测量电芯两端的电压,而右侧的IC测量的是电芯电压+R5电压+Vds。右侧IC测量的电压稍微高一些,但是右侧IC的过充电压也高,到底谁先发起过充保护呢?来算一下,假设以最大电流1.2A充电(实际上即将充满时电流很小),假设电芯电压为4.19V(左侧IC未保护),假设Rdson = 4.7毫欧(根据MOS管手册取值)
远没有达到4.275V,所以是左侧IC首先出现过充保护。对于过充保护,右侧IC起到备胎的作用,一旦左侧IC出现故障可以及时接管。
左侧IC的过放保护电压是2.5V,右侧过放保护电压是2.3V,两个值差距较大,米乐平台 m6官方平台当电芯电压从高压逐渐降低时,首先是左侧IC出现过放保护,切断输出。
充电IC通过采集Pin2的电压来检测电流,当电压达到触发值时关断MOS管,由于两个IC的参考GND不一样,所以计算方法也不一样。
左侧采集的电压高,两个IC的充电/过放电流检测值相同,可见电流增大时,左侧IC首先保护,右侧IC起到备胎的作用。
保护板一般都采用测量MOS的导通电压间接测量电流,这个电压误差很大,所以过流检测误差很大,当然电池厂设计保护板时都留有余量,对于使用电池一方,不能只依靠保护板来保护电池,合理的设计充电电路以及合理充电算法也是对电池的一种安全保护。
达到了IP67世界防尘防水等级,可对短暂的浸泡起到防护效果,有效处理阴雨,湿润气候对芯片的睡房。更交心的呵护你的
免费下载 /
有什么用 /
原理 /
如何选择MOS管 /
硬件工程师.电子爱好者经常遇到焊盘损坏的情况,这四个修复焊盘的方法你们常用吗?#电路板
altium教程2016, 如何让差分走线在区域规则呢优先满足差分阻抗线宽呢?
altium初学视频教程,Allegro软件设置的规则是否可以复用到另一个PCB文件呢?